
外徑20mm 1.8°行星減速步進電機 NEMA 8 1.8°PLANET GEAR STEPPING MOTOR
行星減速機常規參數


M22GXR 行星減速機技術參數PLANET GEAR Electrical Specifications

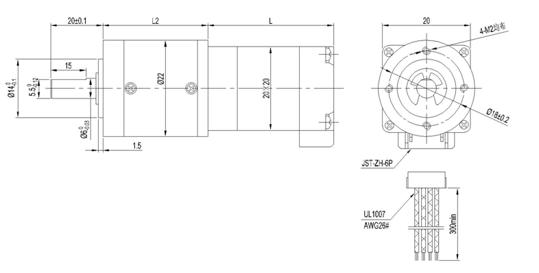
電機機械尺寸Dimensions unit=mm

電機接線圖Wiring Diagram

我們可以根據客戶要求定制電機的電氣參數、電機輸出軸尺寸等形狀,也可以增配行星減速箱、編碼器等,查看更多產品信息請瀏覽公司網站;
注意事項:電機安裝時務必使用安裝止口定位,嚴格保證電機輸出軸與負載的同心度,電機正常工作時表面溫度不允許超過85℃